
不锈钢浮动球阀
一、Q41F/H/Y不锈钢浮动球阀产品概述
Q41F/H/Y不锈钢浮动球阀聚多年球阀制造经验而设计的阀座,确保阀门密封,磨擦系数低,操作力矩小、多种阀座材料、适应范围广;该阀采用扁头阀杆,与手柄的连接不会错位,从而保证手柄指示的开关状态与阀一致;我厂出厂的Q41F/H/Y不锈钢浮动球阀为防止阀门开关误操作,在阀门全开、全关位置有锁定孔,确保阀门处于正确的位置;阀杆为下装式,防止受压飞出,同时可在火灾后,与阀体形成金属接触,确保阀杆密封。
Q41F/H/Y不锈钢浮动球阀适用于水、气、油品、天然气和酸碱腐蚀性介质;适用温度:-196~350℃,公称通径:DN 15-250mm,驱动方式:手动、气动、电动、液动等。
二、Q41F/H/Y不锈钢浮动球阀主要零部件材料表
|
序号
|
零件名称
|
材料名称
|
|
Q41F/H-P
|
Q41F/H-PL
|
Q41F/H-R
|
Q41F/H-RL
|
|
1
|
阀体/阀盖
|
0Cr18Ni9
|
00Cr19Ni10
|
0Cr17Ni12Mo2
|
00Cr17Ni12Mo2
|
|
2
|
球体
|
304
|
304L
|
316
|
316L
|
|
3
|
阀杆
|
304
|
304L
|
316
|
316L
|
|
4
|
阀座
|
PTFE/PPL/NYLIN/柔性石墨
|
|
5
|
填料/垫片
|
PTFE/PPL/NYLIN/柔性石墨
|
|
6
|
螺栓
|
不锈钢
|
|
7
|
螺母
|
不锈钢
|
|
8
|
手柄
|
铸钢
|
三、Q41F/H/Y不锈钢浮动球阀主要性能规范表
|
公称压力(MPa)
|
1.6
|
2.5
|
4.0
|
|
强度试验
|
2.4MPa
|
3.8MPa
|
6.0MPa
|
|
水密封试验
|
1.8MPa
|
2.8MPa
|
4.4MPa
|
|
气密封试验
|
0.4MPa-0.7MPa
|
四、Q41F/H/Y不锈钢浮动球阀主要外形尺寸表
|
公称压力
PN(MPa)
|
公称通径
DN(mm)
|
尺寸(mm)
|
|
L
|
D
|
D1
|
D2
|
D6
|
b-f
|
z-Φd
|
W
|
|
1.6
|
15
|
130
|
95
|
65
|
45
|
|
14-2
|
4-14
|
115
|
|
20
|
140
|
105
|
75
|
55
|
|
14-2
|
4-14
|
130
|
|
25
|
150
|
115
|
85
|
65
|
|
14-2
|
4-14
|
150
|
|
32
|
165
|
135
|
100
|
78
|
|
16-2
|
4-18
|
190
|
|
40
|
180
|
145
|
110
|
85
|
|
16-3
|
4-18
|
230
|
|
50
|
200
|
160
|
125
|
100
|
|
16-3
|
4-18
|
240
|
|
65
|
220
|
180
|
145
|
120
|
|
18-3
|
4-18
|
280
|
|
80
|
250
|
195
|
160
|
135
|
|
20-3
|
8-18
|
310
|
|
100
|
280
|
215
|
180
|
155
|
|
20-3
|
8-18
|
330
|
|
125
|
320
|
245
|
210
|
185
|
|
22-3
|
8-18
|
600
|
|
150
|
360
|
280
|
240
|
210
|
|
24-3
|
8-23
|
800
|
|
200
|
400
|
335
|
295
|
265
|
|
26-3
|
12-23
|
1000
|
|
250
|
450
|
425
|
355
|
320
|
|
30-3
|
12-25
|
1200
|
|
2.5
|
15
|
130
|
95
|
65
|
45
|
|
14-2
|
4-14
|
115
|
|
20
|
140
|
105
|
75
|
55
|
|
14-2
|
4-14
|
130
|
|
25
|
150
|
115
|
85
|
65
|
|
14-2
|
4-14
|
150
|
|
32
|
165
|
135
|
100
|
78
|
|
16-2
|
4-18
|
190
|
|
40
|
180
|
145
|
110
|
85
|
|
18-3
|
4-18
|
230
|
|
50
|
200
|
160
|
125
|
100
|
|
20-3
|
4-18
|
240
|
|
65
|
220
|
180
|
145
|
120
|
|
22-3
|
8-18
|
280
|
|
80
|
250
|
195
|
160
|
135
|
|
22-3
|
8-18
|
310
|
|
100
|
280
|
230
|
190
|
160
|
|
24-3
|
8-23
|
330
|
|
125
|
320
|
270
|
220
|
188
|
|
28-3
|
8-25
|
600
|
|
150
|
360
|
300
|
250
|
218
|
|
30-3
|
8-25
|
800
|
|
200
|
400
|
360
|
310
|
278
|
|
34-3
|
12-25
|
1000
|
|
250
|
450
|
425
|
370
|
332
|
|
36-3
|
12-30
|
1200
|
|
4.0
|
15
|
130
|
95
|
65
|
45
|
40
|
16-2
|
4-14
|
115
|
|
20
|
140
|
105
|
75
|
55
|
51
|
16-2
|
4-14
|
130
|
|
25
|
150
|
115
|
85
|
65
|
58
|
16-2
|
4-14
|
150
|
|
32
|
180
|
135
|
100
|
78
|
66
|
18-3
|
4-18
|
190
|
|
40
|
200
|
145
|
110
|
85
|
76
|
18-3
|
4-18
|
230
|
|
50
|
220
|
160
|
125
|
100
|
88
|
20-3
|
4-18
|
240
|
|
65
|
250
|
180
|
145
|
120
|
110
|
22-3
|
8-18
|
280
|
|
80
|
280
|
195
|
160
|
135
|
121
|
22-3
|
8-18
|
310
|
|
100
|
320
|
230
|
190
|
160
|
150
|
24-3
|
8-23
|
330
|
|
125
|
360
|
270
|
220
|
188
|
176
|
28-3
|
8-25
|
600
|
|
150
|
400
|
300
|
250
|
218
|
204
|
30-3
|
8-25
|
800
|
|
200
|
550
|
375
|
320
|
282
|
260
|
38-3
|
12-30
|
1200
|
|
6.4
|
15
|
140
|
105
|
75
|
55
|
40
|
18-3
|
4-14
|
115
|
|
20
|
152
|
125
|
90
|
68
|
51
|
20-3
|
4-18
|
130
|
|
25
|
180
|
135
|
100
|
78
|
58
|
22-3
|
4-18
|
150
|
|
32
|
200
|
150
|
110
|
82
|
66
|
24-3
|
4-23
|
190
|
|
40
|
220
|
165
|
125
|
95
|
76
|
24-3
|
4-23
|
230
|
|
50
|
250
|
175
|
135
|
105
|
88
|
26-3
|
4-23
|
240
|
|
65
|
280
|
200
|
160
|
130
|
110
|
28-3
|
8-23
|
280
|
|
80
|
320
|
210
|
170
|
140
|
121
|
30-3
|
8-23
|
310
|
|
100
|
360
|
250
|
200
|
168
|
150
|
32-3
|
8-25
|
330
|
|
125
|
381
|
295
|
240
|
202
|
176
|
36-3
|
8-30
|
600
|
|
150
|
403
|
340
|
280
|
240
|
204
|
38-3
|
8-34
|
800
|
|
200
|
502
|
405
|
345
|
300
|
260
|
44-3
|
12-34
|
1200
|
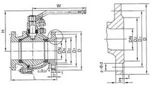
五、Q41F/H/Y不锈钢浮动球阀主要结构图
尊敬的客户!如果你需要的Q41F/H/Y不锈钢美标浮动球阀使用场合非常重要或环境比较复杂,请您尽量提供设计图纸和详细参数,由我们新然阀门厂的专业工程师为您审核选型。咨询手机:15158748774;电话:0577-67990137;传真:0577-67335892。
浮动球阀http://www.zhaoqiufa.com/fdballvalve/